电话:
0577-86155736
手机:
0577-86155736
邮箱:
wzcryy@126.com
地址:
温州市瓯海区娄桥工业园繁瑞路11号

ZU-A QU-A WU-A XU-A系列回油过滤器过滤器安装在液压系统的回油管路处,用以滤除油液中诸元件磨损的金属粉末以及密封件磨损的橡胶杂质等,使流回油箱中的油液保持清洁,有利于系统中油液循环使用。
该过滤器分化纤式、纸质式、网式和线隙式四种。化纤式比纸质过滤效果好、精度高,化纤式和纸质式滤芯堵塞后清洗比较困难,因此必须更换滤芯。
该过滤器装有压差发讯装置,当滤芯因污染堵塞致使进出油口压差达0.35MPa时,便发出开关信号,此时应清洗或更换滤芯。
该过滤芯采用新型化纤过滤材质,具有过滤精度高、通油能力大、原始压力损失少、纳污量大等优点,其过滤精度以绝对过滤精度标定,过滤比β3、5、10、20 >100,过滤效率n≥99%,符合ISO标准。
型号说明

ZU-A,QU-A,WU-A系列回油过滤器
| 型号 | 通径(mm) | 公称流量(L/min) | 过滤精度(μm) | 公称压力(Mpa) | 压力损失(MPa) | 通阀开启压力(MPa) | 发讯装置功率(V/W) | 重量(kg) | 连接方式 | 滤芯型号 | |
| Initial | Max | ||||||||||
| □U-A10×*P | 10 | 10 | 1 3 5 10 20 30 | 1.6 | 0.05 | 0.35 | 0.4 | 24V/48W 220V/50W | 2.6 | 管式 | TZX2-10×*# |
| □U-A25×*P | 15 | 25 | 3.2 | TZX2-25×*# | |||||||
| □U-A40×*P | 20 | 40 | 3.6 | TZX2-40×*# | |||||||
| □U-A63×*P | 25 | 63 | 0.07 | 4.8 | TZX2-63×*# | ||||||
| □U-A100×*P | 32 | 100 | 5.8 | TZX2-100×*# | |||||||
| □U-A160×*P | 40 | 160 | 0.12 | 6.7 | TZX2-160×*# | ||||||
| □U-A250×*FP | 50 | 250 | 9.5 | 法兰 | TZX2-250×*# | ||||||
| □U-A400×*FP | 65 | 400 | 0.15 | 14.4 | TZX2-400×*# | ||||||
| □U-A630×*FP | 80 | 630 | 22.3 | TZX2-630×*# | |||||||
| □U-A800×*FP | 90 | 800 | 0.17 | TZX2-800×*# | |||||||
| □U-1000×*FP | 100 | 1000 | TZX2-000×*# | ||||||||
| □U-A25×*BP | 20 | 25 | 0.05 | 3.2 | 板式 | TZX2-25×*# | |||||
| □U-A40×*BP | 40 | 3.5 | TZX2-40×*# | ||||||||
| □U-A63×*BP | 32 | 63 | 0.07 | 3.9 | TZX2-63×*# | ||||||
| □U-A100×*BP | 100 | 6.2 | TZX2-100×*# | ||||||||
| □U-A160×*BP | 38 | 160 | 0.12 | 7.0 | TZX2-160×*# | ||||||
| □U-A250×*BP | 50 | 250 | 10.0 | TZX2-250×*# | |||||||
| □U-A400×*BP | 65 | 400 | 0.15 | 15.4 | TZX2-400×*# | ||||||
注:*为过滤精度,#为过滤材料,若使用介质为水一乙二醇,滤材为纸质,带发讯器,则过滤器型号号为:ZU·BH-A63×*P,滤芯型号为:TZX2·BH-63×*。滤材为化纤,过滤精度为10~15μm,带发讯器,则过滤器型号为:Q2U-A63×*P,滤芯型号为:TZX2-63x*Q。滤材为化纤,过滤精度为1~5μm,带发讯器,则过滤器型号为:Q3U-A63×*P,滤芯型号为:TZX2-63*Q。滤材为金属网,带发讯器,则过滤器型号:WU-A63×*P,滤芯型号为:TZX2-63x*W。
XU-A系列加油过滤器
| 型号 | 通径(mm) | 公称流量(L/min) | 过滤精度(μm) | 公称压力(Mpa) | 压力损失(MPa) | 旁通阀开启压力(MPa) | 发讯装置功率(V/W) | 重量(kg) | 连接方式 | 滤头型号 | |
| Initial | Max | ||||||||||
| XU-A10×*P | 10 | 10 | 30 50 | 1.6 | 0.05 | 0.35 | 0.4 | 24V/48W 220V/50W | 2.8 | 管式 | TXX-10×* |
| XU-A25×*P | 15 | 25 | 3.4 | TXX-25×* | |||||||
| XU-A40×*P | 20 | 40 | 3.9 | TXX-40×* | |||||||
| XU-A63×*P | 25 | 63 | 0.07 | 4.9 | TXX-63×* | ||||||
| XU-A100×*P | 32 | 100 | 6.3 | TXX-100×* | |||||||
| XU-A160×*P | 40 | 160 | 0.12 | 7.0 | TXX-160×* | ||||||
| XU-A250×*FP | 50 | 250 | 10.2 | 法兰 | TXX-250×* | ||||||
| XU-A400×*FP | 65 | 400 | 0.15 | 15.2 | TXX-400×* | ||||||
| XU-A630×*FP | 80 | 630 | 25.6 | TXX-630×* | |||||||
| XU-A25×*BP | 20 | 25 | 0.05 | 3.4 | 板式 | TXX-25×* | |||||
| XU-A40×*BP | 40 | 4.3 | TXX-40×* | ||||||||
| XU-A63×*BP | 32 | 63 | 0.07 | 5.8 | TXX-63×* | ||||||
| XU-A100×*BP | 100 | 7.1 | TXX-100×* | ||||||||
| XU-A160×*BP | 38 | 160 | 0.12 | 7.3 | TXX-160×* | ||||||
| XU-A250×*BP | 50 | 250 | 10.7 | TXX-250×* | |||||||
| XU-A400×*BP | 65 | 400 | 0.15 | 16.2 | TXX-400×* | ||||||
注:*为过滤精度,若使用介质为水一乙二醇,带发讯器,过滤器型号为:XU·BH-A63×*P,滤芯型号为TXX·BH-63×*。
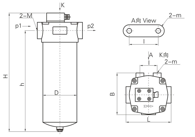
安装外型尺寸
管式
| 型号 | 尺寸(mm) | |||||||
| H | h | L | B | D | I | M | m | |
| Z Q W XU-A10×*P | 199 | 152 | 104 | 102 | Φ70 | 30 | M18×1.5 | M6 |
| Z Q W XU-A25×*P | 239 | 182 | 120 | 110 | Φ89 | M22×1.5 | ||
| Z Q W XU-A40×*P | 299 | 242 | M27×2 | |||||
| Z Q W XU-A63×*P | 322 | 254 | 146 | 131 | Φ109 | 55 | M33×2 | M8 |
| Z Q W XU-A100×*P | 422 | 358 | 150 | M42×2 | ||||
| Z Q W XU-A160×*P | 449 | 380 | 170 | 148 | Φ134 | 65 | M48×2 | |

法兰式
| 型号 | 尺寸(mm) | ||||||||
| H | h | L | B | b | D | m | Φ | M | |
| Z Q W XU-A250×*FP | 561 | 485 | 182 | 166 | 15 | Φ150 | M10 | 74 | M6 |
| Z Q W XU-A400×*FP | 706 | 625 | 196 | 176 | 140 | Φ163 | M12 | 94 | M8 |
| Z Q W XU-A630×*FP | 746 | 750 | 224 | 212 | 160 | Φ186 | M12 | 115 | M10 |
| Z Q W XU-A800×*FP | 1024 | 936 | 260 | 250 | 180 | Φ212 | M12 | 125 | M12 |
| Z Q W XU-A1000×*FP | 1094 | 1001 | 135 | ||||||

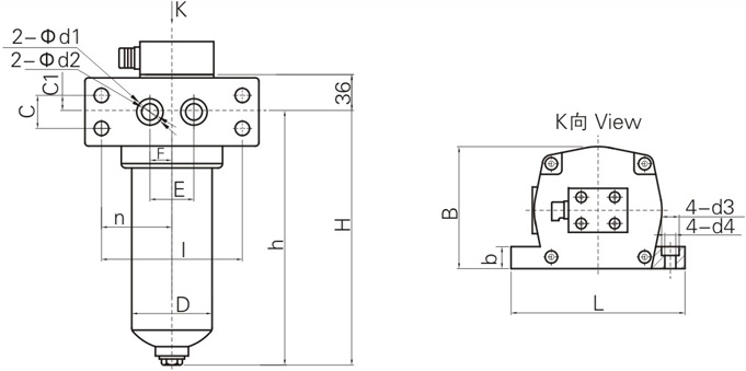
板式

| 型号 | 尺寸(mm) | |||||||||||||||
| H | h | L | B | b | D | I | n | E | F | C | C1 | ΦD1 | ΦD2 | Φd3 | ΦD4 | |
| Z Q W XU-A25×*BP | 202 | 182 | 132 | 104 | 17 | 95 | 116 | 58 | 30 | 10 | 20 | 10 | 28 | 20 | 11 | 7 |
| Z Q W XU-A40×*BP | 262 | 242 | ||||||||||||||
| Z Q W XU-A63×*BP | 290 | 254 | 160 | 127 | 18 | 115 | 142 | 71 | 45 | 22.5 | 30 | 15 | 40 | 32 | 13.5 | 9 |
| Z Q W XU-A100×*BP | 390 | 354 | ||||||||||||||
| Z Q W XU-A160×*BP | 407 | 376 | 180 | 164 | 134 | 162 | 81 | 50 | 25 | 42 | 21 | 45 | 38 | 15 | 9 | |
| Z Q W XU-A250×*BP | 522 | 486 | 210 | 202 | 150 | 18 | 94 | 66 | 33 | 48 | 24 | 60 | 50 | 18 | 11 | |
| Z Q W XU-A400×*BP | 669 | 625 | 254 | 214 | 25 | 163 | 228 | 114 | 90 | 45 | 60 | 30 | 75 | 65 | 18 | 11 |
连接法兰请用户参照下列尺寸加工

| 型号 | 尺寸(mm) | 法兰用“Q”型圈 | 法兰用螺钉 | |||||||||
| A | B | C | D | D1 | D2 | D | d | E | d1 | |||
| Z Q W XU-A250×*FP | 75 | 15 | 9 | Φ50 | Φ60 0 -0.06 | Φ54 +0.2 0 | Φ60 | Φ74 | 2.4 0 -0.1 | Φ6.7 | Φ60×3.1 | M6×25 |
| Z Q W XU-A400×*FP | 85 | Φ65 | Φ75 0 -0.06 | Φ70 +0.2 0 | Φ76 | Φ94 | Φ9 | Φ75×3.1 | M8×30 | |||
| Z Q W XU-A630×*FP | 115 | Φ80 | Φ90 0 -0.07 | Φ85 +0.2 0 | Φ91 | Φ115 | Φ11 | Φ90×3.1 | M10×30 | |||
| Z Q W XU-A800×*FP | 125 | Φ90 | Φ100 0 -0.1 | Φ98 +0.2 0 | Φ104 | Φ125 | Φ13 | Φ100×3.1 | M12×35 | |||
| Z Q W XU-A1000×*FP | 135 | Φ100 | Φ110 0 -0.1 | Φ108 +0.2 0 | Φ114 | Φ135 | Φ110×3.1 | |||||