电话:
0577-86155736
手机:
0577-86155736
邮箱:
wzcryy@126.com
地址:
温州市瓯海区娄桥工业园繁瑞路11号

液压技术的现代化导致了液压系统性能参数日趋于超高压力,大流量和高精度,为确保液压系统的性能和可靠性,对油液的清洁度要求越来越高。
我厂研制的滤油小车,不仅能作为液压系统注入新油过滤的专用设备,而且还可以作为定期过渡系统介质中污梁物的专用设备,它可以帮助你较好地处理液压系统的污染,延长液压元件的使用寿命,保证系统正常工作。
我厂生产的LUC,LUCA,LUCB系列滤油小车除具有性能可靠,结构紧凑,外形美观,保养纵和使用方便外,还具有较高的精度和低噪声等优点,精滤器内滤芯可据用户不同城要,在3μm、5μm、10μm、20μm、30μm、40μm中进行正由选择,只需调换不同过滤精度的滤芯就可达到不同精度的过滤效果,滤油小车仅滤除油液中的污物,对油液的各项技术指标均无影响。
型号说明

油路图

技术参数
| 型号 | 公称流量(l/mm) | 粗滤精度(μm) | 精滤精度(μm) | 原始压力损失(MPa) | 磁铁吸力(N) | 电动功率(kw) | 电动电压(V) | 重量(kg) |
| LUC-16x※# | 16 | 100 | 3 5 10 20 30 40 | <0.02 | 2 | 0.37 | AC:380 | 60 |
| LUC-40x※# | 40 | 0.75 | 90 | |||||
| LUC-63x※# | 63 | 1.1 | 100 | |||||
| LUC-100x※# | 100 | 1.5 | 110 | |||||
| LUC A B -16x※# | 16 | 0.37 | ||||||
| LUC A B -40x※# | 40 | 0.75 | ||||||
| LUC A B-63x※# | 63 | 1.1 | ||||||
| LUC A B-100x※# | 100 | 1.5 |
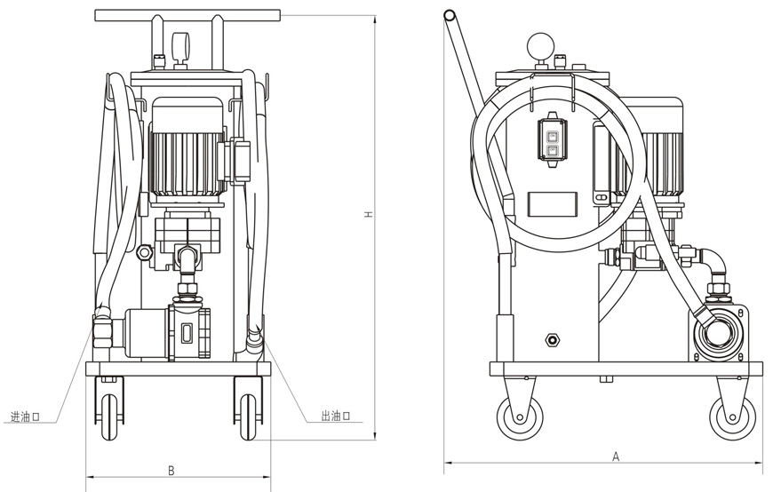
外型尺寸

| 型号 | 尺寸 (mm) | ||
| H | A | B | |
| LUC-16X※ | 920 | 470 | 350 |
| LUC-40X※ | 930 | 648 | 400 |
| LUC-63X※ | 960 | 560 | 400 |
| LUC-100X※ | 960 | 560 | 400 |
LUCA系列

| 型号 | 尺寸(mm) | ||
| H | A | B | |
| LUCA-16X※ | 1060 | 650 | 450 |
| LUCA-40X※ | 1080 | 700 | 500 |
| LUCA-63X※ | 1120 | 740 | 500 |
| LUCA-100X※ | 1120 | 740 | 500 |
LUCB系列

用户自配附件与易损备件
| 滤油车型号 | 备件名称 | |||
| 粗过滤滤芯型号 | 精过滤滤芯型号 | 骨架式油封 | PVC 增强软管 (内径)mm | |
| LUC-16x* | CWU-16X100-J | CZX-16X * # | 20 X 40 X 10 | 吸油,回油Φ19 |
| LUC-40x*/LUCB-40X * | CWU-40X100-J | CZX-40X * # | 25 X 45 X 10 | 吸油Φ32,回油Φ25 |
| LUC-63x*/LUCB-63X * | CWU-63X100-J | CZX-63X * # | 25 X 45 X 10 | 吸油Φ32,回油Φ25 |
| LUC-100x*/LUCB-100X * | CWU-100X100-J | CZX-100X * # | 30 X 50 X 10 | 吸油Φ32,回油Φ25 |
| 滤油车型号 | 粗过滤滤芯型号 | 三级过滤筒 | 骨架式油封 | PVC 增强软管 (内径)mm | ||
| 粗过滤滤芯一级 | 粗过滤滤芯二级 | 精过滤滤芯型号 | ||||
| LUCA-16 X * | CWU-16X100-J | CXXA1-16X80 | CXXA2-16X80 | CZXA-16X * # | 20 X 40 X 10 | 吸油,回油Φ19 |
| LUCA-40 X * | CWU-40X100-J | CXXA1-40X80 | CXXA2-40X80 | CZXA-40X * # | 25 X 45 X 10 | 吸油Φ32,回油Φ25 |
| LUCA-63X * | CWU-63X100-J | CXXA1-60X80 | CXXA2-60X80 | CZXA-63X * # | 25 X 45 X 10 | 吸油Φ32,回油Φ25 |
| LUCA-100X * | CWU-100X100-J | CXXA1-100X80 | CXXA2-100X80 | CZXA-100X * # | 30 X 50 X 10 | 吸油Φ32,回油Φ25 |
注:
(1)*为过滤精度。若使用介质为水一乙二醇时,公称流量63L/min,过滤精度5μm,过滤材质为纸质时,滤油车的型号为LUC·BH-63x5或 LUCA·BH-63X5,精滤器滤芯的型号为CZX·BH-63X5或 CZXA·BH-63X5。
(2)为了确保滤油车额定沉量,并能正常使用权,用户自配油管的内径应符合上表规格;并注意,在工作中吸油管不得有压扁现象,以免油泵损坏,吸油度高度差<500mm。吸油软管不得加长;回油软管不得长于8m。
(3)指油泵轴封。
滤油车使用与保养维修
(1)滤油车在启动时,应注意不能使油泵反转,以免引起没泵轴封吹出导致吸入空气。
(2)滤油车在使用过程中,油泵可能吸入空气,影响油泵流量,为了达到滤油车的额定流量以保证精细滤芯的正常工作台,应及时打开排气阀,以便将滤筒的空气排净(即排气阀出油后),排完空气之后及时关闭排气阀。
(3)滤油车使用一段时间后,如因污洒物严重堵塞粗过滤滤芯表面使吸油不畅,引起油泵噪声过大,应停机取出滤芯清洗。
(4)精细滤芯在使用一段时间后,易被污染物逐渐堵塞,引起滤筒压力升高,当压力达到0.4MPa时,需及时更换精细滤芯。
(5)使用的吸油、出油软管应随时保持清洁。
(6)如果滤油车缺陷不出油,请检查认定:
a. 油泰转向是否正确;
b. 油箱至吸油口间的各零部件密封是否可靠,吸油口是否离开油面或油液已吸完;
c. 粗滤器滤芯是否堵塞。
(7)滤油车流量显著减少,请检查认定:
a. 粗、精过滤滤芯是否堵塞严重;
b. 油泵轴油封是否磨损或因反转而造成吹出。
(8)过滤压力突然下降,请检查精细滤芯是否被击穿。